杭州浙西流体控制设备有限公司 杭州浙西流体控制设备有限公司

咨询热线

15952839118
19157877090

AT-M 多喷嘴过热蒸汽减温器

  ★ 工作原理
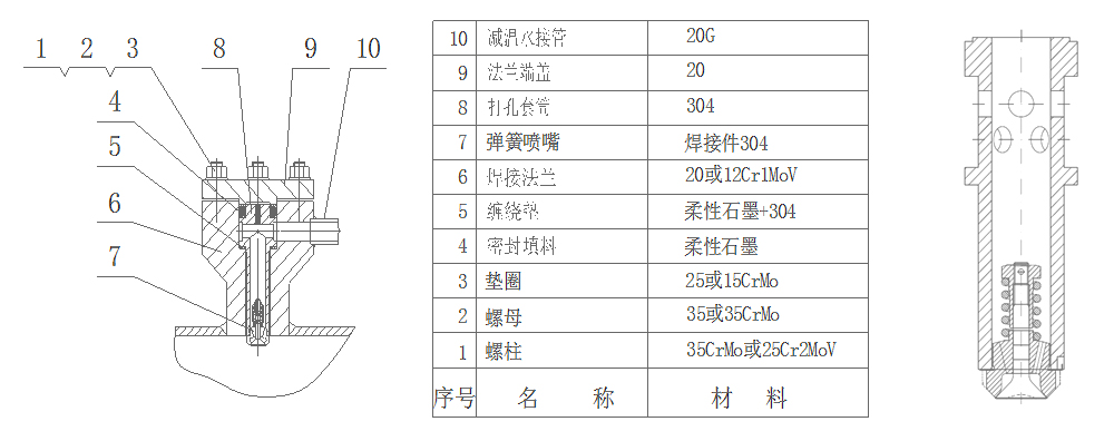
  多喷嘴减温器是装有多个相连的AT-S弹簧喷嘴,构成AT-M多喷嘴过热蒸汽减温器;
  ★ 技术特点
  ● 每一个喷嘴由一个SV型弹簧喷嘴通过螺纹连接到一个钻孔的安装套筒内,套筒插入焊接法兰内,且由法兰盖采用螺柱压迫封闭。
  ● 沿管道一周均匀分布安装,且与管道轴线垂直的方向上,不同的喷嘴之间的连接管路最后汇集到一个总管路入口分流三通上。
  ● 喷水分布管路系统的设计可以避免水和蒸汽之间温度差引起的破坏性应力。
  ● 可以设计有不同尺寸和不同弹簧设定值的喷嘴,以保证在不同的状态下获得高雾化性。
  ● 工况不同决定了喷嘴的数量,有2个、4个、6个等布置方式。
  ● 无论设置喷嘴数量多少,管道内汽水混合处必须设置混合套管,以进一步提高雾化性能。


  ★、材质
  可采用GB、DIN,常规按GB,见图。