杭州浙西流体控制设备有限公司
咨询热线
15952839118
19157877090
首页
关于我们
荣誉资质
新闻中心
产品中心
减温减压器
自控系统
流量计
调节阀
现场案例
品牌合作
工程业绩
下载中心
联系我们
工艺流程
首页
>
产品中心
>
减温减压器
> 正文
减温减压器
自控系统
流量计
调节阀
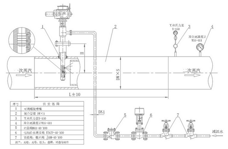
W408L螺旋可调减温器
结构特点
该装置主要适用于蒸汽负荷变化大的工况,能使减温水在流量变化时喷水流速保持一定,从而使雾化效果达到最佳。
a) 不锈钢移动套筒(阀瓣)表面堆硬质合金;
b) 不锈钢固定套筒(阀座)内壁镀层,喷水孔朝介质流动方向;
c) 可调喷嘴内设节流系统(一至三级);
d) 减温给水调节系统采用直行程单座调节阀(或V型调节阀)+节流装置,既减小了阀门的泄漏量,又能合理分配给水系统上的压差。同一口径,不同的流量系数CV值可供选择,使温度调节系统调节灵敏度及精确度大大提高。
上一篇:
W15弹簧背压可调减温器
下一篇:
减压装置